Q95RD-030K\ PACKAGED HP 2.5TON 13.4 SEER2 REVOLV (R454B)
Description
All HVAC equipment must be installed by a licensed or otherwise qualified HVAC dealer or contractor; and also must be installed in accordance with the manufacturer's installation instructions and in compliance with applicable codes.
2023 DOE-Compliant A2L Models meet the latest HUD and performance requirements, as well as complying with UL 60335-2-40 equipment safety and testing standard for A2L refrigerants
Key Features:
- Aluminum Micro-Channel Coils designed to optimize heat transfer, minimize footprint, decrease materials cost, reduce refrigerant volume, and resist formicary corrosion to promote longer service life
- Advanced Refrigeration Technology including a factory-installed, Bi-flow, liquid line filter-drier, patented hot gas defrost, and a factory-supplied Bi-metallic Outdoor Thermostat
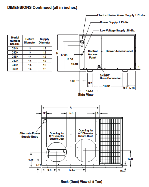
- Convenient Service Access access to all control components, compressor, evaporator coil, and indoor blower; with perimeter high and low-side refrigerant ports
- High-Static Blower utilizes a high-efficiency, 5-speed, fixed-torque, brushless-DC ECM
- Optional Electric Heater Kits available for field-installation in Air Conditioners or Heat Pumps, ranging from 5-15 kW output
- Competitive, Compact Footprints will fit some of the most aggressive lot lines, and allow for easier transportation and installation







